I got this 2001N in not completely dead condition and have just started working on it.
Condition when received:
It turns on and displays random characters. Image is fairly stable except for a few small areas where part of characters jitter. Flyback occasionally produces a high-pitched squeal; pushing on it gently gets it to stop. It's missing a black, moulded bezel for the monitor and a label.
Plan:
1. It powers up and holds magic smoke well but I guess recapping is in order. However, all caps look healthy and shiny -- no bulges, leaks, stains etc.
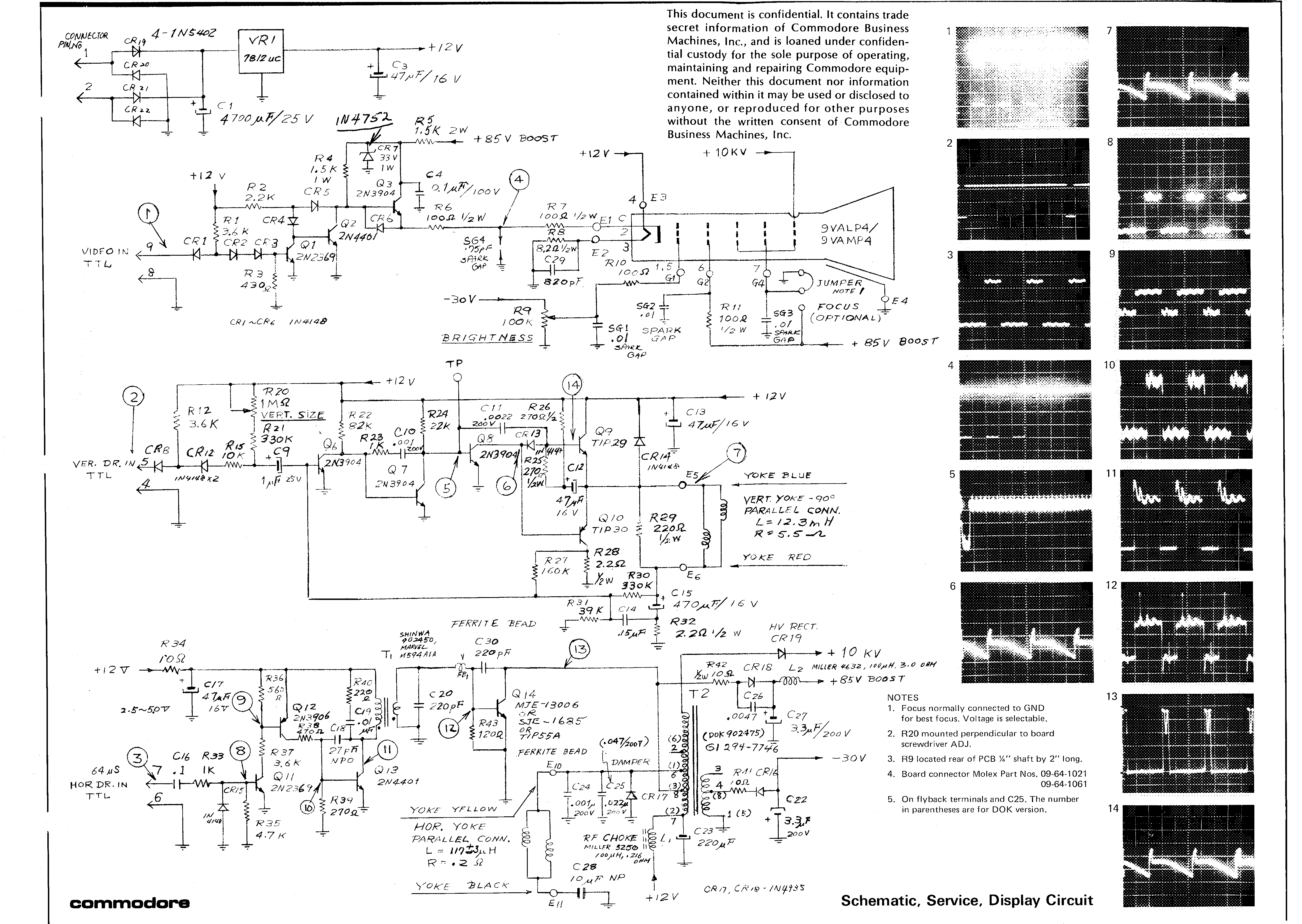
2. I'll leave flyback as is for the moment. After a few gentle pushes it stopped making the noise but I would prefer to get rid of the old CRT and replace it with an LCD, assuming I could find a suitable one. The problem with CRT is not just the flyback but also there doesn't appear to be any way to adjust the image beyond brightness and vertical size, and it needs adjusting. It's slightly bulging on the right side, it is not centred and it is too narrow. PCB inside monitor is a perfect match for this layout on Zimmers: http://www.zimmers.net/anonftp/pub/cbm/ ... layout.gif
3. This is 8K machine with probably BASIC 2 so not very useful -- I'll leave the board as is and fit "Commodore PET ROM/RAM replacement board" from Tynemouth Software (http://blog.tynemouthsoftware.co.uk/201 ... oards.html). This part has already arrived, along with the internal version of "PET microSD". I hope that "random character" display is due to bad expansion boards fitted inside PET (mostly just useless old ROMs) and that it may recover after I figure out how to remove these but even if it's bad video RAM or something else I don't really care as ROM/RAM replacement board should work around that.
4. Monitor is missing a moulded black bezel. I think I'll just cut some green acrylic into shape; something like this:
http://i.ebayimg.com/images/g/U~cAAOSw8 ... -l1600.jpg
http://i.ebayimg.com/images/g/TYgAAOSw8 ... -l1600.jpg
http://i.ebayimg.com/images/g/T~oAAOSwg ... -l1600.jpg
5. I got correct vectorized label from Steve Gray (http://www.6502.org/users/sjgray/comput ... index.html) and had it printed on Vistaprint. Had to print it as a large window sticker, all other stickers they have were too small. Fortunately they have both behind-glass and on-glass options for window stickers. Although I generated the image with exact DPI they require, it turned out slightly fuzzy but at least the size was spot on.
My next step is the removal of expansion boards so that I can fit the parts from Tynemouth Software.
